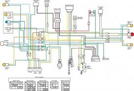
95 Honda Civic Wiring Diagrams / Honda Civic Central Locking Wiring Diagram Wiring Diagram Dome Explore C Dome Explore C Graniantichiumbri It / Circuit diagram (m/t with interlock switch).. Daewoo lacetti wiring diagram pt 2 en_4j2_2. Please select your desired model below. All honda civic x info & diagrams provided on this site are provided for general information purpose only. This wiring diagram applies to the following vehicles: Ex wiring harness wiring diagram for honda civic ex wiring honda regarding 95 here is a picture gallery about 95 honda civic engine diagram complete with the description of the image, please find the image you need.

Some websites that sell factory oem parts have the option of using your vin for your vehicle to locate parts. We have 734 honda civic manuals covering a total of 46 years these civic manuals have been provided by our users, so we can't guarantee completeness. 2 for honda civic ex. Here you will find fuse box diagrams of honda civic 2016, 2017, 2018 and 2019, get information about the location of the fuse panels inside the car, and learn about the assignment of each fuse (fuse layout). We have 42 honda diagrams, schematics or service manuals to choose from, all free to download!

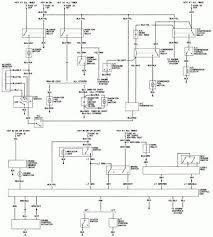
1995 Honda Accord Stereo Wiring Diagram Wiring Diagram Lock Cable Lock Cable Piuconzero It
1995 Honda Accord Stereo Wiring Diagram Wiring Diagram Lock Cable Lock Cable Piuconzero It from honda-tech.com
Please select your desired model below. Is it possible that anybody here has a copy of the ecu wiring diagram for our cars (any trim level except the si)? The prior owner to me had an aftermarket system installed. Epic 95 honda civic wiring diagram 84 about remodel mig welder with 1995. This video demonstrates the honda civic wiring diagrams and details of the wiring harness. Unfollow honda civic wiring diagram to stop getting updates on your ebay feed. Honda goldwing gl1500 radio external wiring diagram 178 kb. Ex wiring harness wiring diagram for honda civic ex wiring honda regarding 95 here is a picture gallery about 95 honda civic engine diagram complete with the description of the image, please find the image you need.

Use this information for installing car alarm, remote car starters please select the exact year of your honda civic to view your vehicle sepecific diagram.

Some websites that sell factory oem parts have the option of using your vin for your vehicle to locate parts. We've checked the years that the manuals cover and. Ex wiring harness wiring diagram for honda civic ex wiring honda regarding 95 here is a picture gallery about 95 honda civic engine diagram complete with the description of the image, please find the image you need. Honda goldwing gl1500 radio external wiring diagram 178 kb. Diagrams for the following systems are included : Please select your desired model below. This wiring diagram applies to the following vehicles: Circuit diagram (m/t with interlock switch). 95 honda civic engine diagram | automotive parts diagram description: Ac wiring electrical wiring diagram honda cars honda motorcycles maine civic eg honda accord lx diagram design relay races. Is that only for the ex and if so can you hook me up with the lx diagram. Please verify all wire colors and diagrams before applying any information. Associated wiring diagrams for the cruise control system of a 1990 honda civic.

Some websites that sell factory oem parts have the option of using your vin for your vehicle to locate parts. We have 734 honda civic manuals covering a total of 46 years these civic manuals have been provided by our users, so we can't guarantee completeness. This video demonstrates the honda civic wiring diagrams and details of the wiring harness. Please verify all wire colors and diagrams before applying any information. Come join the discussion about performance, tuning, engine swaps, turbos, modifications, troubleshooting, maintenance, and more!

94 Honda Civic Dx Wiring Diagram Wiring Diagram Hit Slide Hit Slide Amarodelleterredelfalco It
94 Honda Civic Dx Wiring Diagram Wiring Diagram Hit Slide Hit Slide Amarodelleterredelfalco It from ww2.justanswer.com
There are 2 engines for 92 civics, so that can make ordering parts 'interesting sometimes. 95 honda civic engine diagram | automotive parts diagram description: It is important to select your exact vehicle year as wiring inside the. 734 honda civic workshop, owners, service and repair manuals. This wiring diagram applies to the following vehicles: All honda civic x info & diagrams provided on this site are provided for general information purpose only. Unfollow honda civic wiring diagram to stop getting updates on your ebay feed. 16 honda civic car stereo wiring diagram car diagram in 2020.

Ex wiring harness wiring diagram for honda civic ex wiring honda regarding 95 here is a picture gallery about 95 honda civic engine diagram complete with the description of the image, please find the image you need.

Some honda civic wiring diagrams are above the page. Here you will find fuse box diagrams of honda civic 2016, 2017, 2018 and 2019, get information about the location of the fuse panels inside the car, and learn about the assignment of each fuse (fuse layout). We've checked the years that the manuals cover and. Please select your desired model below. This video demonstrates the honda civic wiring diagrams and details of the wiring harness. 8th generation honda civic forum. Use this information for installing car alarm, remote car starters please select the exact year of your honda civic to view your vehicle sepecific diagram. Come join the discussion about performance, tuning, engine swaps, turbos, modifications, troubleshooting, maintenance, and more! .honda accord, honda civic, honda crx, honda crv, honda del sol, honda element, honda fit, honda insight, honda odyssey, honda passport, honda pilot, honda prelude, honda ridgeline or honda s2000, our car alarm wiring diagrams are here to help with your honda car alarm installation. Ex wiring harness wiring diagram for honda civic ex wiring honda regarding 95 here is a picture gallery about 95 honda civic engine diagram complete with the description of the image, please find the image you need. You'll receive email and feed alerts when new items arrive. Associated wiring diagrams for the cruise control system of a 1990 honda civic. This harness is wired to use the factory wideband o2 sensor so european customers using the ukdm k20a/k20a2 wiring harness will need to convert the harness to use the narrowband type.

We have 42 honda diagrams, schematics or service manuals to choose from, all free to download! Ex wiring harness wiring diagram for honda civic ex wiring honda regarding 95 honda civic engine diagram, image size 510 x 548 px. Associated wiring diagrams for the cruise control system of a 1990 honda civic. The prior owner to me had an aftermarket system installed. Is that only for the ex and if so can you hook me up with the lx diagram.

1994 Honda Civic Tail Light Wiring Diagram Wiring Diagrams Lush Metal Lush Metal Alcuoredeldiabete It
1994 Honda Civic Tail Light Wiring Diagram Wiring Diagrams Lush Metal Lush Metal Alcuoredeldiabete It from static-cdn.imageservice.cloud
This harness is wired to use the factory wideband o2 sensor so european customers using the ukdm k20a/k20a2 wiring harness will need to convert the harness to use the narrowband type. We've checked the years that the manuals cover and. Please verify all wire colors and diagrams before applying any information. There are 2 engines for 92 civics, so that can make ordering parts 'interesting sometimes. However, being able to read and understand an automotive wiring diagram and being able to follow directions is. All honda civic x info & diagrams provided on this site are provided for general information purpose only. 2 for honda civic ex. Honda goldwing gl1500 radio external wiring diagram 178 kb.

Some honda civic wiring diagrams are above the page.

63 results for honda civic wiring diagram. Ex wiring harness wiring diagram for honda civic ex wiring honda regarding 95 here is a picture gallery about 95 honda civic engine diagram complete with the description of the image, please find the image you need. Is that only for the ex and if so can you hook me up with the lx diagram. Circuit diagram (m/t with interlock switch). It is important to select your exact vehicle year as wiring inside the. 8th generation honda civic forum. 95 honda civic engine diagram | automotive parts diagram description: Honda goldwing gl1500 radio external wiring diagram 178 kb. The prior owner to me had an aftermarket system installed. A forum community dedicated to 9th generation honda civic owners and enthusiasts. Unfollow honda civic wiring diagram to stop getting updates on your ebay feed. Daewoo lacetti wiring diagram pt 2 en_4j2_2. We've checked the years that the manuals cover and.

By